Rodzaj paliwa Sezonowane Drewno Liściaste (Wilgotność ≤20%)
Waga (kg) 160
Emisja CO (przy 13% O 2 ) ≤ podawana w % 0,09
Temperatura spalin (℃) 240,0
Max długość polan (cm) 50
Emisja pyłków (pył) (mg/Nm3) 28,0
Zgodność z normą BlmSchV 2 Tak
Minimalne wymagane pole czynne kratek wylotowych (cm2) ≥700
Minimalne wymagane pole czynne kratek wlotowych (cm2) ≥500
Rodzaj przeszklenia proste
Otwieranie drzwi w lewo
Materiał wykonania stal
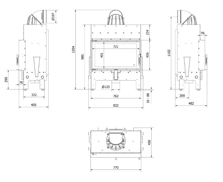
Szerokość (cm) 83,2
Wysokość (cm) 120,4-129
Głębokość (cm) 48,6
Dolot powietrza Tak
Wyłożenie komory spalania Tak
Popielnik Tak
Ozdobna szyba typu glass Tak
FLOKI łączy elegancką estetykę z zaawansowaną technologią spalania, idealnie komponując się z każdym nowoczesnym wnętrzem. Elegancki design z dekoracyjną szybą GLASS nie tylko wizualnie powiększa przestrzeń, ale także pozwala Ci cieszyć się widokiem tańczących płomieni. Wyłożenie komory spalania materiałem TERMOTEC zapewnia dłuższe utrzymywanie temperatury i efektywniejsze spalanie, co zwiększa temperaturę w palenisku i wspomaga dopalanie cząstek opału, minimalizując emisję szkodliwych substancji.
Dzięki zaawansowanemu systemowi dopowietrzenia z tyłu i boku, FLOKI zapewnia równomierne i efektywne spalanie, co czyni go nie tylko bardziej ekonomicznym, ale i ekologicznym wyborem dla Twojego domu. Dodatkowo, dzięki ceramice żaroodpornej od SCHOTT ROBAX i wysokiej jakości stali, nasz kominek jest bezpieczny i odporny na wysokie temperatury.
Kominek spełnia wymagania EKOPROJEKTU, jak i restrykcyjnej niemieckiej normy BlmschV II. Przeznaczony jest do domów z rekuperacją.
FLOKI objęty jest 10-letnią gwarancją, co świadczy o naszym zaangażowaniu w dostarczanie produktów o wysokiej jakości i niezawodności. Ta dekada gwarancyjna to potwierdzenie, że oferujemy naszym klientom rozwiązanie, które posłuży im przez lata bezproblemowej eksploatacji.
Powietrze pierwotne, ułatwiające rozpalenie drewna, dostarczane jest pod ruszt.
Powietrze wtórne rozprowadzane jest na tylną i boczną ścianę komory spalania. Zapewnia efektywne spalanie gazów, ograniczając dymienie oraz emisję szkodliwych substancji do środowiska.
Kurtyna powietrzna stanowi wtórne źródło powietrza w procesie spalania, którego strumień omiata szybę skutecznie oddalając cząsteczki sadzy i ograniczając ich osadzanie na szybie.
Ruszt : Zapewnia równomierne i efektywne spalanie drewna, co prowadzi do lepszego wykorzystania opału i zwiększonej wydajności cieplnej.
Popielnik : W formie zbiornika umieszczonego poniżej żeliwnego rusztu. Umożliwia wygodne i szybkie usuwanie popiołu z kominka.
Perforowana klamka dociskowa : Uchwyt o owalnym kształcie z perforacjami, które umożliwiają pewny chwyt i zapobiegają nadmiernemu nagrzewaniu się elementu.
Regulacja dopływu powietrza : Kontrola nad procesem spalania jest wyjątkowo prosta i intuicyjna. Nawet osoby bez doświadczenia z kominkami mogą łatwo dostosować przepływ powietrza do swoich potrzeb, co zapewnia komfort i wygodę użytkowania.
Dekoracyjna szyba: Estetyczny czarny dekor nadaje kominkowi elegancki wygląd co sprawia, że staje się on nie tylko funkcjonalnym elementem, ale również atrakcyjnym dodatkiem do wnętrza.
Wyłożenie TERMOTEC : Materiał akumulujący ciepło, który podwyższa temperaturę w palenisku dzięki czemu po wygaśnięciu paleniska ciepło jest jeszcze przez długi czas oddawane do pomieszczenia, w którym się znajduje. Do wyboru kolor biały lub czarny.
Kominek powietrzny stalowy FLOKI M 10 KW Ø 200 – czarne wyłożenie
6 200,00 zł5 580,00 złNajniższa cena z 30 dni przed obniżką: 6200 zł
Opis
Dane techniczne
Moc nominalna (kW) 10,0
Zakres mocy grzewczej (kW) 4,5 – 13,5
Sprawność cieplna (%) 83
Średnica wylotu spalin (mm) 200
Przeznaczony do rekuperacji Tak
Rodzaj paliwa Sezonowane Drewno Liściaste (Wilgotność ≤20%)
Waga (kg) 160
Emisja CO (przy 13% O 2 ) ≤ podawana w % 0,09
Temperatura spalin (℃) 240,0
Max długość polan (cm) 50
Emisja pyłków (pył) (mg/Nm3) 28,0
Zgodność z normą BlmSchV 2 Tak
Minimalne wymagane pole czynne kratek wylotowych (cm2) ≥700
Minimalne wymagane pole czynne kratek wlotowych (cm2) ≥500
Rodzaj przeszklenia proste
Otwieranie drzwi w lewo
Materiał wykonania stal
Szerokość (cm) 83,2
Wysokość (cm) 120,4-129
Głębokość (cm) 48,6
Dolot powietrza Tak
Wyłożenie komory spalania Tak
Popielnik Tak
Ozdobna szyba typu glass Tak
FLOKI łączy elegancką estetykę z zaawansowaną technologią spalania, idealnie komponując się z każdym nowoczesnym wnętrzem. Elegancki design z dekoracyjną szybą GLASS nie tylko wizualnie powiększa przestrzeń, ale także pozwala Ci cieszyć się widokiem tańczących płomieni. Wyłożenie komory spalania materiałem TERMOTEC zapewnia dłuższe utrzymywanie temperatury i efektywniejsze spalanie, co zwiększa temperaturę w palenisku i wspomaga dopalanie cząstek opału, minimalizując emisję szkodliwych substancji.
Dzięki zaawansowanemu systemowi dopowietrzenia z tyłu i boku, FLOKI zapewnia równomierne i efektywne spalanie, co czyni go nie tylko bardziej ekonomicznym, ale i ekologicznym wyborem dla Twojego domu. Dodatkowo, dzięki ceramice żaroodpornej od SCHOTT ROBAX i wysokiej jakości stali, nasz kominek jest bezpieczny i odporny na wysokie temperatury.
Kominek spełnia wymagania EKOPROJEKTU, jak i restrykcyjnej niemieckiej normy BlmschV II. Przeznaczony jest do domów z rekuperacją.
FLOKI objęty jest 10-letnią gwarancją, co świadczy o naszym zaangażowaniu w dostarczanie produktów o wysokiej jakości i niezawodności. Ta dekada gwarancyjna to potwierdzenie, że oferujemy naszym klientom rozwiązanie, które posłuży im przez lata bezproblemowej eksploatacji.
Powietrze pierwotne, ułatwiające rozpalenie drewna, dostarczane jest pod ruszt.
Powietrze wtórne rozprowadzane jest na tylną i boczną ścianę komory spalania. Zapewnia efektywne spalanie gazów, ograniczając dymienie oraz emisję szkodliwych substancji do środowiska.
Kurtyna powietrzna stanowi wtórne źródło powietrza w procesie spalania, którego strumień omiata szybę skutecznie oddalając cząsteczki sadzy i ograniczając ich osadzanie na szybie.
Ruszt : Zapewnia równomierne i efektywne spalanie drewna, co prowadzi do lepszego wykorzystania opału i zwiększonej wydajności cieplnej.
Popielnik : W formie zbiornika umieszczonego poniżej żeliwnego rusztu. Umożliwia wygodne i szybkie usuwanie popiołu z kominka.
Perforowana klamka dociskowa : Uchwyt o owalnym kształcie z perforacjami, które umożliwiają pewny chwyt i zapobiegają nadmiernemu nagrzewaniu się elementu.
Regulacja dopływu powietrza : Kontrola nad procesem spalania jest wyjątkowo prosta i intuicyjna. Nawet osoby bez doświadczenia z kominkami mogą łatwo dostosować przepływ powietrza do swoich potrzeb, co zapewnia komfort i wygodę użytkowania.
Dekoracyjna szyba: Estetyczny czarny dekor nadaje kominkowi elegancki wygląd co sprawia, że staje się on nie tylko funkcjonalnym elementem, ale również atrakcyjnym dodatkiem do wnętrza.
Wyłożenie TERMOTEC : Materiał akumulujący ciepło, który podwyższa temperaturę w palenisku dzięki czemu po wygaśnięciu paleniska ciepło jest jeszcze przez długi czas oddawane do pomieszczenia, w którym się znajduje. Do wyboru kolor biały lub czarny.
Informacje dodatkowe
Prosty
Powietrze
Drewno
Kratki
Szyba prosta
Może spodoba się również…
Rura spalinowa fi 200 1m
192,00 zł Dodaj do koszykaPrzejscie rura stalowa komin ceramiczny 200/200
146,00 zł Dodaj do koszykaPrzejscie rura stalowa komin ceramiczny 200/180
140,00 zł Dodaj do koszykaKolano spalinowe nastawne UNI fi 200
200,00 zł Dodaj do koszykaRura spalinowa fi 200 50cm
127,00 zł Dodaj do koszykaRura spalinowa fi 200 25cm
97,00 zł Dodaj do koszykaKolano spalinowe nastawne 45° fi 200
106,50 zł Dodaj do koszykaKolano spalinowe nastawne 90° fi 200
151,50 zł Dodaj do koszykaPodobne produkty
Kominek powietrzny stalowy KRATKI LUCY TUNEL 12 kW Ø 200
8 540,00 zł Dodaj do koszykaKominek powietrzny stalowy KRATKI LUCY SLIM 10 kW Ø 160
7 130,00 zł6 417,00 zł Dodaj do koszykaKominek powietrzny stalowy KRATKI LUCY lewy BS 14 kW Ø 200
8 350,00 zł7 515,00 zł Dodaj do koszyka